VGA+USBx2+RJ45x2 Filter

VGA+USBx2+RJ45x2 Filter


detailed information

RF Filter VGA+USBx2+RJ45x2


Product Appearance

1769073262369734.jpg

1769073315701879.jpg

1769073340219237.jpg


Applications

  • Weather Radar and Satellite Communication Systems

  • Test and Measurement Equipment


Technical Specifications

Product Code:60.06.050.0270

ParameterMin.
Typ.
Max.
Type
-
LPF
-
Frequency(MHz)
--480
Insertion Loss(dB)-
-3
Out Band Rejection(db)
75
80
-
Operating  Temperature(℃)-30 ~ +70
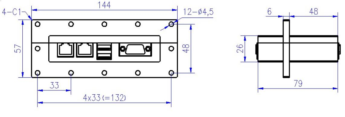
Dimension(mm)144*79*57
Weight(g)700
Interface TypeVGA, USB*2, RJ45*2
VGA
Compatible with VGA protocol (female to female)
USBUSB1.0, USB2.0(USB-AF)
RJ45
10M, 100M, 1G ,adaptive,  compatible with POE


Product Dimensions(mm)

1769074081449596.png